专注工业位置测量产品以及解决方案的供应商

+86 21-39520660

FMV58 并行多圈绝对值编码器

行业应用:纺织机械、折弯机械、印刷机械、冶金行业、电梯

产品结构:实心轴

外径(mm):58mm

输出信号:并行推挽输出,格雷码或二进制

最大圈数:25位

工作电压:10-30Vdc 或5Vdc 极性保护

防护等级:IP68;断电记忆,100%抗磁场干扰性

  • 技术参数
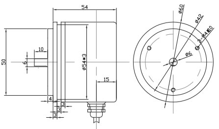
  • 安装尺寸

工作电压:10-30Vdc或5Vdc; 极性保护

消耗电流:〈30mA(空载)

输出信号:并行推挽输出(并行输出电压值可灵活设定)

信号代码:格雷码或纯二进制

分辨率:13位8192线(20为校验位实际有效分辨率4096)

连续圈数:12位4096圈

精度:重复性±2bit(实际精度与安装精度、轴同心度有关)

工作温度:-25~70℃

储存温度:-40~100℃

防护等级:IP65;IP68/可选

连接电缆:1米30芯电缆径向侧出(其余形式可订货)

外形特性:金属密封外壳,密封双轴承结构(安装尺寸见尺寸附图)

转轴: 夹紧法兰:轴径10mm ,长度20mm,D型平面;同步法兰:轴径6mm ,长度10mm;盲孔轴套14mm,深20mm

夹紧法兰

夹紧法兰

夹紧同步法兰

夹紧同步法兰

同步(伺服)法兰

同步(伺服)法兰